产品简介:青鸟J-ZFJC-E3W-16B2-Ex防爆集电集控型消防应急照明灯具一、青鸟J-ZFJC-E3W-16B2-Ex防爆集电集控型消防应急照明灯具概述青鸟J-ZFJC-E3W-16B2-Ex防爆集电集控型消防应急照明灯具设计满足GB17945-2010《消防应急照明和疏散指示系统》要求,设计符合ExdⅡBT6 Gb等级防爆标准。二、青鸟J-ZFJC-E3W-16B2-Ex防爆集电集控型消防
青鸟J-ZFJC-E3W-16B2-Ex防爆集电集控型消防应急照明灯具

一、青鸟J-ZFJC-E3W-16B2-Ex防爆集电集控型消防应急照明灯具概述
青鸟J-ZFJC-E3W-16B2-Ex防爆集电集控型消防应急照明灯具设计满足GB17945-2010《消防应急照明和疏散指示系统》要求,设计符合ExdⅡBT6 Gb等级防爆标准。
二、青鸟J-ZFJC-E3W-16B2-Ex防爆集电集控型消防应急照明灯具技术参数
型号 J-ZFJC-E3W-16B2-Ex
名称 集中电源集中控制型消防应急照明灯具
品牌 青鸟消防
防爆标志 Ex dⅡB T6 Gb
额定电压 DC36V
主电功耗 3W
光源类型 LED
光源参数 DC3.0V
应急输出光通量 ≥50lm
工作方式 非持续型
防护等级 IP54
安装方式 壁挂式安装
适用电缆外径 Φ9~Φ14
引入口规格 3/4NPT
三、青鸟J-ZFJC-E3W-16B2-Ex防爆集电集控型消防应急照明灯具使用说明
1.本系列应急灯具为功率总线专用灯具,采用低电压供电,需配套青鸟消防的A型应急电源使用,严禁接入AC220V/DC216V强电,接入强电将造成灯具损毁。
2.按工程施工图纸将应急灯具安装到指定的位置,安装完成后,将灯具ID编码(8位)记录在施工图纸所对应的指定位置,并将整理好的施工图纸妥善存储,用于后期的系统调试。
3.本系列灯具受应急照明控制器控制与管理,可接收由应急照明控制器发来的指令改变灯具的工作状态。
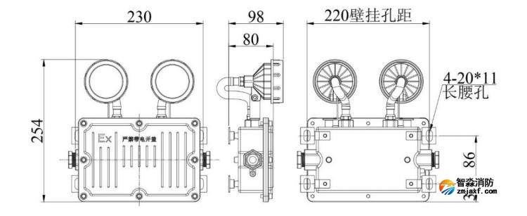
四、青鸟J-ZFJC-E3W-16B2-Ex防爆集电集控型消防应急照明灯具外形尺寸图

五、青鸟J-ZFJC-E3W-16B2-Ex防爆集电集控型消防应急照明灯具接线及安装说明
将DC36V功率总线通过走线管穿入入线口并连接到灯具主板接线端子上,另一端作为出线口,使DC36V功率总线经过灯具主板,入线口和出线口视现场情况可任意选择。确保线路连接牢固工整接线示意如下:

JTW-LD-NT8119/105缆式线型感温火灾探测器一产品类别根据不同的场合,不同额定动作温度的探测需求,产品分为JTW-LD-NT8119/85缆式线型感温火灾探测器与JTW-LD-NT8119/105缆式线型感温火灾探测器两种,探测温度分别为85℃、105℃两个级别,最大长度400m,标准报警长度1m,适用于大宗场所需求。二产品特色&...
海湾ZD-GST-T1301组合式电气火灾监控探测器装置安装在0.4kV低压配电系统中,用于检测系统中的剩余电流、温度、电压、电流等有关电气火灾隐患产生的电气参数,当被保护线路中监控装置参数超过报警设定值时,能发生报警和控制信号,以便消除引起的电气火灾隐患。产品采用RS485总线和4G无线网络进行通讯,可以与其它监控报警器...
2014年5月国家消防法新规范出台后,全国范围内开展实行GA 1157-2014(国标) 一、二、三级全套消防设施维护保养检测设备,对此次执行标准,2022世界杯小组赛程表时间,针对此次标准进行设备配置调整,本次调整后完全符合国家GA 1157-2014(国标) 一、二、三级全套消防设施维护保养检测设备的设备配套标准突尼斯vs阿联酋波胆分析在...
接地电阻测量仪量程:0Ω~1000Ω;精度:±2%用于测量储油罐、避雷针等防雷防雷接地电阻数字式接地电阻测试仪是检验测量接地电阻常用仪表的常用仪表,他采用了超大LCD灰白屏背光显示和微处理机技术,满足二线、三线测试电阻要求。适用于电信、电力、气象、机房、油田、电力配电线路、铁塔输电...
ZM-Y感烟探测器功能试验器ZM-Y感烟探测器功能试验器是4+2全功能火灾探测器试验器的子产品,利用物理学和化学原理控制和转换技术,采用环保型雾香液通过电子能量转换,将液体释放哦颗粒烟雾,取代并淘汰了传统的棒香发烟方式,发出的烟雾无明火、无烟灰、无烟油,对探头无二次污染。以其结构紧凑,...
感烟探测器功能试验装置感烟探测器功能试验装置是突尼斯vs阿联酋波胆分析科技有限公司经多年研究,反复试验后定制生产的一种专用工具,其结构设计合理,外型美观,操作方便,适用于各种型号离子,光电烟感探测器,为各使用火灾报警系统的单位测试火灾探测器报警功能及安装施工工程单位安装验收过程中必备之工具。其工作原理,是以棒...
消防烟感试验剂|烟感测试工具|烟感试验器|烟感测试喷雾剂...
型号:AH-410(减光值为0.4dB和10dB)型号:AH-409(减光值为0.9dB和10dB)型号:AH-411(减光值为0.4dB和11.5dB)突尼斯vs阿联酋波胆分析研发生产的线型光束感烟探测器滤光片模拟烟雾的扩散性可以探测红外线周围固定范围之内的火灾,其工作原理是利用减光片减少红外发光器发射到红外收光器的光束光量来判定火灾,这种火灾探测方法通常被称做减光法...
消火栓测压接头压力表量程0-1.6MPa用于检测室内消火栓的静水压和出水压力,并校核水枪充实水柱的专用装置消火栓系统试水装置a.消火栓栓口静水压的测量(a)将HL—3试水检测装置连接到火栓栓口;(b)安装好压力表,并调整压力表检测位置使之竖直向上;(C)在HL—3度水装置出口处装上端盖;(d)缓慢打开消火栓阀...
ZM-4消火栓测压接头使用说明 消火栓系统试水检测装置是用于检测室内消火栓的静水压,出水压力,并校核水枪充实水柱的专用装置。 a.测量消火栓栓口的静水压和出水压。现行国家规范中室内消火栓栓口的静水压力不应大开0.8Mpa;消火栓栓口的出压力不应大于0.5Mpa。此外在《高层民用建筑...
400电话:4006-598-119
联系电话:18751140119
公司传真:0512-52847706
手机号码:18910580194
客服QQ:1334605518
Email:1334605518@qq.com
地址:江苏省苏州市常熟市黄河路275号城市之星119室
全国服务热线:18910580194
立即预约2022世界杯小组赛程表时间主要业务有火灾报警系统的销售、设计、安装、消防维修及2022世界杯小组赛程表时间改造,消防施工,2022世界杯小组赛程表时间改造,消防维保,一二级消防检测设备,探测器清洗,消防检测,气体灭火系统安装,电气火灾系统施工安装,消防喷淋水系统安装,防火门系统施工安装等...
+MORE
工程质监站科长的贪腐之路,工程人看完感觉熟头熟路了案例蒋庆树,男,1968年5月生,曾任绵阳市建设工程质量监督站工程师、科长等职。2022年4月,接受绵阳市纪委监委驻市委政法委纪检监察组纪律审查和北川县监委监察调查。2022年9月,蒋庆树因严重违反党的纪律并构成职务违法,被开除党籍和公职;其涉嫌受贿犯罪和巨额财产来 [详情]
消防改造 消防检测仪器网 山东消防检测设备 消防安全评估设备 消防评估设备 北京消防改造 海湾消防主机维修 四川消防检测设备 气体灭火 消防检测设备|人防检测仪器 江苏消防检测仪器 探测器清洗 消防检测设备 利达消防 突尼斯vs阿联酋波胆分析工程 电气火灾 海湾安全技术有限公司 海湾消防公司 海湾消防 海湾消防设备 海湾气体灭火|利达气体灭火 消防安全评估设备软件 四川消防检测仪器 消防安全评估软件 海湾气体灭火 海湾消防气灭 利达气体灭火 利达消防维修维保 海湾消防维修 北京烟感清洗 北京消防维修 烟感清洗|火灾探测器清洗 消防安全评估软件 海湾消防监控系统 气体灭火安装 消防设施维护保养检测设备 消防改造安装 海湾消防器材 利达消防器材 青鸟消防器材 泛海三江消防设备 上海松江消防设备 深圳赋安消防设备 泰和安消防设备 依爱消防设备 金鼎防爆消防设备 尼特消防设备 海湾消防仪器 利达消防仪器 消防评估检测设备 消防检测设备仪器 松江消防 青鸟消防 泰和安消防
如果您对本商品有什么问题,请提问咨询!