产品简介:青鸟HDM2101消防电话总机一、青鸟HDM2101消防电话总机功能特点1、2N线制连接,每门分机电话线长度适于1500米以内。1~40门分机地址,配接专用消防电话分机和消防电话插孔。2、每路电话线路上不允许并接2只及以上的电话分机。3、实时时钟显示。总机断电后,时钟由电池供电确保走时不间断。4、消防电话分机摘
青鸟HDM2101消防电话总机

一、青鸟HDM2101消防电话总机功能特点
1、2N线制连接,每门分机电话线长度适于1500米以内。1~40门分机地址,配接专用消防电话分机和消防电话插孔。
2、每路电话线路上不允许并接2只及以上的电话分机。
3、实时时钟显示。总机断电后,时钟由电池供电确保走时不间断。
4、消防电话分机摘机或插孔式消防电话分机插入消防电话插孔中可直接呼叫总机。总机可通过地址操作与多部分机呼叫和通话。
5、自动记录呼叫或通话情况,通话时自动录音。具有电话线路断路故障判断能力,并有声光故障报警。
6、电话分机和电话插孔具有工作状态指示。
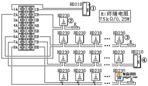
7、HD230电话插孔可并联使用,每门最多可接入30个,末端需接入终端电阻7.5K(随主机配给),用于开路故障判断。
二、青鸟HDM2101消防电话总机技术指标
型号 HDM2101
工作电压 DC24V(由报警控制器或消防联动电源提供)
工作电流 <2A
线 制 2N
工作温度 -10~+50℃
话线电压 DC15V
执行标准
GB16806-2006
相对湿度 ≤95%(40±2℃)
容量 最大40 门;最小8 门
系统布线 宜选用截面积不小于1.0mm2 的屏蔽双色双绞线
三、青鸟HDM2101消防电话总机结构特征


说明:
24V+、-:连接消防联动电源DC.24V正负端。
(1A、1B)~(8A、8B):连接每路电话分机或电话插孔。
备注:端子数量随电话主机规格会有不同。
四、青鸟HDM2101消防电话总机系统连接示意

五、青鸟HDM2101消防电话总机安装注意事项
1、为避免线路串扰造成通话造影,电话线路建议采用ZR-RVVP-2×1.5mm2屏蔽双绞。
2、多线电话系统为2N线制,每路电话线只能带载一只多线电话分机,不可并接。
海湾JB-QB-GST1000ZG火灾报警控制器一、海湾JB-QB-GST1000ZG火灾报警控制器概述壁挂式,含240地址报警点,LCD点阵液晶屏,含一路CAN和一路485通讯接口,带打印功能,含控制器电源和备电(12V/4.5AH 1节).二、海湾JB-QB-GST1000ZG火灾报警控制器特点采用无极性二总线技术具有重码检测功能三、海湾GST2322ZG输入...
海湾J-SAP-M-GST2200ZG手动火灾报警按钮一、海湾J-SAP-M-GST2200ZG手动火灾报警按钮概述电子编码,插拔式安装,单输入、输出接口.输出:有源持续输出,DC24V/50mA,自带隔离电路,具有检线功能,不用外接任何辅助检线设备.输入:自带隔离电路,具有检线功能,可以设置为短路反馈或者开路反馈.与1380ZG中继箱配合使用,与DZ-23ZG-...
海湾GST2322ZG输入/输出模块一、海湾GST2322ZG输入/输出模块概述电子编码,插拔式安装,单输入、输出接口.输出:有源持续输出,DC24V/50mA,自带隔离电路,具有检线功能,不用外接任何辅助检线设备.输入:自带隔离电路,具有检线功能,可以设置为短路反馈或者开路反馈.与1380ZG中继箱配合使用,与DZ-23ZG-8型底座配套使用....
海湾GST2321ZG输入/输出模块一、海湾GST2321ZG输入/输出模块概述电子编码,插拔式安装,单输入、输出接口.输出:有源脉冲输出,DC32V/1.5A/25ms,自带隔离电路,具有检线功能,不用外接任何辅助检线设备.输入:自带隔离电路,具有检线功能,可以设置为短路反馈或者开路反馈,与DZ-23ZG-8型底座配套使用.二、海湾GST2321ZG输入/输...
海湾JTW-ZOM-GST1110ZG点型感温火灾探测器一、海湾JTW-ZOM-GST1110ZG点型感温火灾探测器概述海湾JTW-ZOM-RF1110点型感温火灾探测器采用热敏电阻作为感温器件。探测器内置高性能微处理器,适用于能够产生温度变化的火灾探测,在不同环境都可以准确识别出火灾,具有强大的火警判断能力,采用无极性二总线制进行通信,电子...
海湾GST8001ZG电子编码器一、海湾GST8001ZG电子编码器概述海湾GST8001ZG电子编码器是针对前端产品进行设置的便携式操作设备。具备电子式地址读写、参数读写、参数设置等功能。采样液晶中文显示,按键操作,操作简单方便二、海湾GST8001ZG电子编码器功能特点可对系统总线设备进行编码和参数设置液晶显示、中文菜...
海湾GST1200ZG紧急启停按钮一、海湾GST1200ZG紧急启停按钮概述海湾GST1200ZG紧急启/停按钮(以下简称按钮),主要作用是控制气体灭火系统转换手动状态或自动状态,以及控制紧急启动和停动功能。通常安装在保护区门口便于操作的位置,当被保护的区域内发生火灾时,按下"紧急启动"按键,即可向气体灭火控制器发...
海湾GST1530ZG火灾显示盘一、海湾GST1530ZG火灾显示盘概述海湾GST1530ZG火灾显示盘一种可用于楼层或独立防火区内的火灾报警显示装置。当建筑物内发生火灾后,消防控制中心的控制器产生报警,同时把报警信号传输到失火区域的火灾显示盘上,火灾显示盘液晶屏显示报警编号、类型及注释信息并发出报警声响,以通知失火区域的...
海湾GST1500ZG火灾声光警报器一、海湾GST1500ZG火灾声光警报器概述海湾GST1500ZG火灾声光警报器,火灾声光警报器是一种安装在现场的声光报警设备,当现场发生火灾并确认后,安装在现场的火灾声光警报器可由消防控制中心的火灾报警控制器启动,发出强烈的声光报警信号,以达到提醒现场人员注意的目的。采用二总线进行通信...
海湾JB-QBL-GST1005ZG火灾报警控制器(联动型)一、海湾JB-QBL-GST1005ZG火灾报警控制器(联动型)概述海湾JB-QBL-GST1005ZG火灾报警控制器消防联动控制器性价比高,配置灵活,是一款高智能且具有联动功能的火灾报警控制器。GST1005可连接我司生产的点型光电感烟火灾探测器JTY-GM-GST1100、点型感温火灾探测器JTW-ZOM-G...
400电话:4006-598-119
联系电话:18751140119
公司传真:0512-52847706
手机号码:18910580194
客服QQ:1334605518
Email:1334605518@qq.com
地址:江苏省苏州市常熟市黄河路275号城市之星119室
全国服务热线:18910580194
立即预约2022世界杯小组赛程表时间主要业务有火灾报警系统的销售、设计、安装、消防维修及2022世界杯小组赛程表时间改造,消防施工,2022世界杯小组赛程表时间改造,消防维保,一二级消防检测设备,探测器清洗,消防检测,气体灭火系统安装,电气火灾系统施工安装,消防喷淋水系统安装,防火门系统施工安装等...
+MORE
工程质监站科长的贪腐之路,工程人看完感觉熟头熟路了案例蒋庆树,男,1968年5月生,曾任绵阳市建设工程质量监督站工程师、科长等职。2022年4月,接受绵阳市纪委监委驻市委政法委纪检监察组纪律审查和北川县监委监察调查。2022年9月,蒋庆树因严重违反党的纪律并构成职务违法,被开除党籍和公职;其涉嫌受贿犯罪和巨额财产来 [详情]
消防改造 消防检测仪器网 山东消防检测设备 消防安全评估设备 消防评估设备 北京消防改造 海湾消防主机维修 四川消防检测设备 气体灭火 消防检测设备|人防检测仪器 江苏消防检测仪器 探测器清洗 消防检测设备 利达消防 突尼斯vs阿联酋波胆分析工程 电气火灾 海湾安全技术有限公司 海湾消防公司 海湾消防 海湾消防设备 海湾气体灭火|利达气体灭火 消防安全评估设备软件 四川消防检测仪器 消防安全评估软件 海湾气体灭火 海湾消防气灭 利达气体灭火 利达消防维修维保 海湾消防维修 北京烟感清洗 北京消防维修 烟感清洗|火灾探测器清洗 消防安全评估软件 海湾消防监控系统 气体灭火安装 消防设施维护保养检测设备 消防改造安装 海湾消防器材 利达消防器材 青鸟消防器材 泛海三江消防设备 上海松江消防设备 深圳赋安消防设备 泰和安消防设备 依爱消防设备 金鼎防爆消防设备 尼特消防设备 海湾消防产品 利达消防产品 消防评估检测设备 消防检测设备仪器 松江消防 青鸟消防 泰和安消防
如果您对本商品有什么问题,请提问咨询!