
图集编号:24D303-4
图集名称:消防水泵机械应急启泵控制
主编单位:中国建筑西南设计研究院有限公司、中国建筑标准设计研究院有限公司
No.1 编制背景
国家建筑标准设计24D303-4《消防水泵机械应急启泵控制》是基于国家标准《消防给水及消火栓系统技术规范》GB 50974-2014第11.0.12条:消防水泵控制柜应设置机械应急启泵功能,并应保证在控制柜内的控制线路发生故障时由有管理权限的人员在紧急时启动消防水泵。机械应急启泵时,应确保消防水泵在报警后5.0min内正常工作。本条款对消防水泵机械应急启泵的控制有强制性要求。另外工程建设全文强制性工程建设规范《消防设施通用规范》GB 55036-2022第3.0.12条第3款:消防水泵控制柜应具有机械应急启泵功能,且机械应急启泵时,消防水泵应能在接受火警后5min内进入正常运行状态。本条款对消防水泵机械应急启泵列入到技术法规中。
No.2 适用范围
本图集适用于民用与工业建筑内3/N/PE AC220V/380V 50Hz系统中消防水泵机械应急启动的控制。
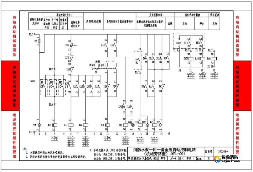
No.3 主要内容
图集提供消防水泵电动机一用一备全压启动、一用一备星-三角降压启动、两用一备星-三角降压启动三种常用启动类型的机械应急启动控制,水泵电动机采用AC380V三相异步笼型电动机,最大容量为110kW。其他类型消防水泵机械应急启动控制电路可根据国家建筑标准图集D303-3《常用水泵控制电路图》,并参考本图集做相应修改。


No.4 机械应急启动型式
机械直驱型:由机械应急操作手柄手动机械闭合消防水泵电动机主回路接触器,完成机械应急启动。包括采用机械应急操作手柄闭合普通的接触器和采用专用的手动操作接触器两种类型。
机械旁路型:在消防水泵电动机主回路之外,设置一套旁路的开关装置(本图集推荐采用断路器),由机械应急操作手柄手动机械闭合该开关装置,完成机械应急启动。
No.5 图集亮点
① 图集编制了控制柜相关方面的性能要求。包括控制柜、断路器、过载保护器(EOP)、电子控制装置(ECU)、机械应急启泵控制、CPS、控制电路等性能要求及现场应急操作要求和紧急停机控制、断电维护操作要求等。
② 图集依据工程建设全文强制性工程建设规范《建筑电气与智能化通用规范》GB 55024-2022,首次在国标图集中介绍了采用过载保护器(EOP)解决堵转保护的方案。
③ 图集主回路采用分立元件和控制与保护开关电器(CPS)两种,控制电路采用继电器和电子控制装置(ECU)两种。共设计13种类型的控制电路图。
No.6 图集样张




江苏苏州突尼斯vs阿联酋波胆分析安装工程公司主营:北京消防施工安装,2022世界杯小组赛程表时间设计,消防维修改造,消防设备检测,消防验收代办,消防维修保养,探测器清洗,消防检测设备,智慧消防物联网,消防设备销售安装及调试为一体的正规化消防企业。消防改造网址://www.furanoplace.com/;服务热线:4006-598-119








苏公网安备32058102002151号