产品简介:三江JTW-ZD-A20G-Ex防爆型点型感温火灾探测器一、三江JTW-ZD-A20G-Ex防爆型点型感温火灾探测器概述三江JTW-ZD-A20G-Ex型点型感温火灾探测器是通过二线制总线接入相兼容的火灾报警控制系统,为二总线工作方式。探测器内置微处理器,支持电子编码。探测器实时采集现场温度信息,并将数据传送至火灾报警控制系统,同时
三江JTW-ZD-A20G-Ex防爆型点型感温火灾探测器

一、三江JTW-ZD-A20G-Ex防爆型点型感温火灾探测器概述
三江JTW-ZD-A20G-Ex型点型感温火灾探测器是通过二线制总线接入相兼容的火灾报警控制系统,为二总线工作方式。探测器内置微处理器,支持电子编码。
探测器实时采集现场温度信息,并将数据传送至火灾报警控制系统,同时也能接收并执行火灾报警控制系统给出的控制命令。巡检状态时,探测器指示灯闪亮,当被监视区域发生火灾,温度上升到报警阈值后,控制系统根据接收到的探测器信息确认火警发生,同时点亮探测器指示灯,指示有火警发生。
探测器防爆性能符合GB/T 3836.1-2021《爆炸性环境第1部分:设备通用要求》、GB/T 3836.2-2021《爆炸性环境第2部分:由隔爆外壳“d”保护的设备》及GB/T 3836.4-2021《爆炸性环境第4部分:由本质安全型“i”保护的设备》。探测器防爆标志为Ex db ibⅡC T6 Gb,适用于具有ⅡA、ⅡB、ⅡC级,T1~T6组别的爆炸性混合物场所中的1区或2区使用。
二、三江JTW-ZD-A20G-Ex防爆型点型感温火灾探测器功能特点
◎全电子编码,编码地址可通过编码器现场改写。
◎具有温度补偿,传感器失效检测功能(故障上报控制器)。
◎无极性二总线连接,安装、维护方便。
◎具有差温报警功能。
三、三江JTW-ZD-A20G-Ex防爆型点型感温火灾探测器技术参数
型号 JTW-ZD-A20G-Ex
名称 点型感温火灾探测器
品牌 三江
防爆标志 Ex db ib IIC T6 Gb
适用爆炸环境 适用于具有ⅡA、ⅡB、ⅡC 级,T1~T6 组别的爆炸性混合物场所中的 1 区或 2 区 使用
IP 等级 隔爆腔防护等级 IP66
工作方式 无极性二总线
产品类别 A2R
电气接口 2-M20×1.5
编码方式 通过编码器可现场编码,地址范围 1~324 任选
工作电压 总线 24V
工作电流 <1mA(监视状态)
报警状态 <1.5mA(报警状态)
工作指示灯 监视状态红色指示灯闪烁,报警状态红色指示灯常亮
使用环境温度 -10℃~+50℃
相对湿度 ≤95%(40℃±2℃无凝露)
重量 约 1.45kg
保护面积 具体参考国标 GB 50116-2013《火灾自动报警系统设计规范》相关规定
执行标准 GB 4716-2005、GB/T 3836.1-2021、GB/T 3836.2-2021、GB/T 3836.4-2021
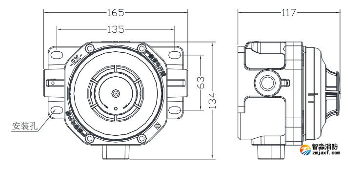
四、三江JTW-ZD-A20G-Ex防爆型点型感温火灾探测器外形尺寸图

五、三江JTW-ZD-A20G-Ex防爆型点型感温火灾探测器接线图
配套隔爆底座的下壳及壳内安全栅板载接线端子示意图:

端子定义:L1、L2无极性两线制
L1、L1信号端(L1)、板上相连L2、L2信号端(L2)、板上相连
探测器接线图:

探测器通过二线制总线并联,接入相兼容的火灾报警控制系统。探测器采用无极性连接,多个探测器与控制器连接的示意图如图所示。
JTW-LD-NT8119/105缆式线型感温火灾探测器一产品类别根据不同的场合,不同额定动作温度的探测需求,产品分为JTW-LD-NT8119/85缆式线型感温火灾探测器与JTW-LD-NT8119/105缆式线型感温火灾探测器两种,探测温度分别为85℃、105℃两个级别,最大长度400m,标准报警长度1m,适用于大宗场所需求。二产品特色&...
海湾ZD-GST-T1301组合式电气火灾监控探测器装置安装在0.4kV低压配电系统中,用于检测系统中的剩余电流、温度、电压、电流等有关电气火灾隐患产生的电气参数,当被保护线路中监控装置参数超过报警设定值时,能发生报警和控制信号,以便消除引起的电气火灾隐患。产品采用RS485总线和4G无线网络进行通讯,可以与其它监控报警器...
2014年5月国家消防法新规范出台后,全国范围内开展实行GA 1157-2014(国标) 一、二、三级全套消防设施维护保养检测设备,对此次执行标准,2022世界杯小组赛程表时间,针对此次标准进行设备配置调整,本次调整后完全符合国家GA 1157-2014(国标) 一、二、三级全套消防设施维护保养检测设备的设备配套标准突尼斯vs阿联酋波胆分析在...
接地电阻测量仪量程:0Ω~1000Ω;精度:±2%用于测量储油罐、避雷针等防雷防雷接地电阻数字式接地电阻测试仪是检验测量接地电阻常用仪表的常用仪表,他采用了超大LCD灰白屏背光显示和微处理机技术,满足二线、三线测试电阻要求。适用于电信、电力、气象、机房、油田、电力配电线路、铁塔输电...
ZM-Y感烟探测器功能试验器ZM-Y感烟探测器功能试验器是4+2全功能火灾探测器试验器的子产品,利用物理学和化学原理控制和转换技术,采用环保型雾香液通过电子能量转换,将液体释放哦颗粒烟雾,取代并淘汰了传统的棒香发烟方式,发出的烟雾无明火、无烟灰、无烟油,对探头无二次污染。以其结构紧凑,...
感烟探测器功能试验装置感烟探测器功能试验装置是突尼斯vs阿联酋波胆分析科技有限公司经多年研究,反复试验后定制生产的一种专用工具,其结构设计合理,外型美观,操作方便,适用于各种型号离子,光电烟感探测器,为各使用火灾报警系统的单位测试火灾探测器报警功能及安装施工工程单位安装验收过程中必备之工具。其工作原理,是以棒...
消防烟感试验剂|烟感测试工具|烟感试验器|烟感测试喷雾剂...
型号:AH-410(减光值为0.4dB和10dB)型号:AH-409(减光值为0.9dB和10dB)型号:AH-411(减光值为0.4dB和11.5dB)突尼斯vs阿联酋波胆分析研发生产的线型光束感烟探测器滤光片模拟烟雾的扩散性可以探测红外线周围固定范围之内的火灾,其工作原理是利用减光片减少红外发光器发射到红外收光器的光束光量来判定火灾,这种火灾探测方法通常被称做减光法...
消火栓测压接头压力表量程0-1.6MPa用于检测室内消火栓的静水压和出水压力,并校核水枪充实水柱的专用装置消火栓系统试水装置a.消火栓栓口静水压的测量(a)将HL—3试水检测装置连接到火栓栓口;(b)安装好压力表,并调整压力表检测位置使之竖直向上;(C)在HL—3度水装置出口处装上端盖;(d)缓慢打开消火栓阀...
ZM-4消火栓测压接头使用说明 消火栓系统试水检测装置是用于检测室内消火栓的静水压,出水压力,并校核水枪充实水柱的专用装置。 a.测量消火栓栓口的静水压和出水压。现行国家规范中室内消火栓栓口的静水压力不应大开0.8Mpa;消火栓栓口的出压力不应大于0.5Mpa。此外在《高层民用建筑...
400电话:4006-598-119
联系电话:18751140119
公司传真:0512-52847706
手机号码:18910580194
客服QQ:1334605518
Email:1334605518@qq.com
地址:江苏省苏州市常熟市黄河路275号城市之星119室
全国服务热线:18910580194
立即预约2022世界杯小组赛程表时间主要业务有火灾报警系统的销售、设计、安装、消防维修及2022世界杯小组赛程表时间改造,消防施工,2022世界杯小组赛程表时间改造,消防维保,一二级消防检测设备,探测器清洗,消防检测,气体灭火系统安装,电气火灾系统施工安装,消防喷淋水系统安装,防火门系统施工安装等...
+MORE
工程质监站科长的贪腐之路,工程人看完感觉熟头熟路了案例蒋庆树,男,1968年5月生,曾任绵阳市建设工程质量监督站工程师、科长等职。2022年4月,接受绵阳市纪委监委驻市委政法委纪检监察组纪律审查和北川县监委监察调查。2022年9月,蒋庆树因严重违反党的纪律并构成职务违法,被开除党籍和公职;其涉嫌受贿犯罪和巨额财产来 [详情]
消防改造 消防检测仪器网 山东消防检测设备 消防安全评估设备 消防评估设备 北京消防改造 海湾消防主机维修 四川消防检测设备 气体灭火 消防检测设备|人防检测仪器 江苏消防检测仪器 探测器清洗 消防检测设备 利达消防 突尼斯vs阿联酋波胆分析工程 电气火灾 海湾安全技术有限公司 海湾消防公司 海湾消防 海湾消防设备 海湾气体灭火|利达气体灭火 消防安全评估设备软件 四川消防检测仪器 消防安全评估软件 海湾气体灭火 海湾消防气灭 利达气体灭火 利达消防维修维保 海湾消防维修 北京烟感清洗 北京消防维修 烟感清洗|火灾探测器清洗 消防安全评估软件 海湾消防监控系统 气体灭火安装 消防设施维护保养检测设备 消防改造安装 海湾消防器材 利达消防器材 青鸟消防器材 泛海三江消防设备 上海松江消防设备 深圳赋安消防设备 泰和安消防设备 依爱消防设备 金鼎防爆消防设备 尼特消防设备 海湾消防仪器 利达消防仪器 消防评估检测设备 消防检测设备仪器 松江消防 青鸟消防 泰和安消防
如果您对本商品有什么问题,请提问咨询!