产品简介:三江SG-A92G-Ex防爆型火灾声光警报器 隔爆一、三江SG-A92G-Ex防爆型火灾声光警报器概述三江SG-A92G-Ex型火灾声光警报器是与高新投三江公司生产的总线型火灾报警控制器配套使用的产品。声光警报器采用微处理器控制,能与控制器实时通讯,接收控制器给出的控制命令。当事故发生时,声光警报器接收到控制器的启动命令后动作
三江SG-A92G-Ex防爆型火灾声光警报器 隔爆

一、三江SG-A92G-Ex防爆型火灾声光警报器概述
三江SG-A92G-Ex型火灾声光警报器是与高新投三江公司生产的总线型火灾报警控制器配套使用的产品。声光警报器采用微处理器控制,能与控制器实时通讯,接收控制器给出的控制命令。当事故发生时,声光警报器接收到控制器的启动命令后动作,发出耀眼的闪光信号和刺耳的声报警信号。按下控制器上的“复位”键,可使声光警报器恢复监视状态。
本产品符合GB/T 3836.1《爆炸性环境第1部分:设备通用要求》和GB/T 3836.2《爆炸性环境第2部分:由隔爆外壳“d”保护的设备》等相关标准。声光警报器的防爆标志为Ex db IIC T6 Gb,适用于具有ⅡA、ⅡB、ⅡC级,T1~T6组别的爆炸性混合物场所中的1区或2区使用。
二、三江SG-A92G-Ex防爆型火灾声光警报器功能特点
◎防爆类型为隔爆型。
◎全电子编码,地址范围1~324。
◎无极性二总线连接,安装、维护简单。
◎声光警报工作模式可通过编码器自由设置,可设置为声与光同时报警,也可设置为仅声报警或仅光报警,适应于不同的工作环境。
◎该产品也可以通过编码器设置为不带地址的普通类型的声光警报器。
三、三江SG-A92G-Ex防爆型火灾声光警报器技术参数
型号 SG-A92G-Ex
名称 防爆型火灾声光警报器
品牌 三江
防爆标志 Ex db ⅡC T6 Gb
防护等级 IP66
适用爆炸环境 含有Ⅱ类 A、B、C 级 T1~T6 组可燃气体或蒸汽与空气形成的爆炸性混合物的 1 区、2 区危险场所
工作方式 无极性二总线
工作电流 监视状态<1mA,报警状态<14mA
变调周期 3.5s~5.0s
闪光频率 1.0Hz~1.5Hz
报警音量 70dB~100dB
工作电压 总线24V
电气接口 2-M20×1.5
使用环境温度 -40℃~+70℃
相对湿度 ≤95%(40℃±2℃无凝露)
重量 约 1.6kg
执行标准 GB 26851-2011、GB/T 3836.1-2021、GB/T 3836.2-2021
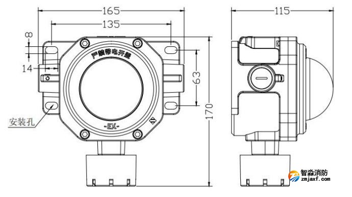
四、三江SG-A92G-Ex防爆型火灾声光警报器外观尺寸

五、三江SG-A92G-Ex防爆型火灾声光警报器接线图及说明
接线端子说明:

防爆消火栓按钮接线图:

六、三江SG-A92G-Ex防爆型火灾声光警报器工作模式说明
模式编码:声光警报器的工作模式由编码器设定,接线的方法与地址编码时相同。正确连接后,将编码器调整为声光模式设置,并按照下表所示,选择对应的模式码来设置所需要的工作模式,按下“运行键”,完成模式编码设置。(注:编码详细操作请参见编码器说明书)

智淼新款一体式二合一烟温试验器及红紫外火焰探测器功能试验器一体式二合一烟温试验器,二合一火灾探测器功能试验器,感烟感温二合一探测器功能试验器是智淼君安消防在优化感烟探测器功能试验器及感温探测器功能试验器的基础上开发设计的新一代烟温试验器,继续保持特有的不锈钢设计,铝合金外包装,携带方便,组装简单、操...
一体式二合一烟温试验器,二合一火灾探测器功能试验器,感烟感温二合一探测器功能试验器是智淼君安消防在优化感烟探测器功能试验器及感温探测器功能试验器的基础上开发设计的新一代烟温试验器,继续保持特有的不锈钢设计,铝合金外包装,携带方便,组装简单、操作灵活等特点。增加了吹风,夜视窗口等功能。...
海湾JB-QB-GST1000ZG火灾报警控制器一、海湾JB-QB-GST1000ZG火灾报警控制器概述壁挂式,含240地址报警点,LCD点阵液晶屏,含一路CAN和一路485通讯接口,带打印功能,含控制器电源和备电(12V/4.5AH 1节).二、海湾JB-QB-GST1000ZG火灾报警控制器特点采用无极性二总线技术具有重码检测功能三、海湾GST2322ZG输入...
海湾J-SAP-M-GST2200ZG手动火灾报警按钮一、海湾J-SAP-M-GST2200ZG手动火灾报警按钮概述电子编码,插拔式安装,单输入、输出接口.输出:有源持续输出,DC24V/50mA,自带隔离电路,具有检线功能,不用外接任何辅助检线设备.输入:自带隔离电路,具有检线功能,可以设置为短路反馈或者开路反馈.与1380ZG中继箱配合使用,与DZ-23ZG-...
海湾GST2322ZG输入/输出模块一、海湾GST2322ZG输入/输出模块概述电子编码,插拔式安装,单输入、输出接口.输出:有源持续输出,DC24V/50mA,自带隔离电路,具有检线功能,不用外接任何辅助检线设备.输入:自带隔离电路,具有检线功能,可以设置为短路反馈或者开路反馈.与1380ZG中继箱配合使用,与DZ-23ZG-8型底座配套使用....
海湾GST2321ZG输入/输出模块一、海湾GST2321ZG输入/输出模块概述电子编码,插拔式安装,单输入、输出接口.输出:有源脉冲输出,DC32V/1.5A/25ms,自带隔离电路,具有检线功能,不用外接任何辅助检线设备.输入:自带隔离电路,具有检线功能,可以设置为短路反馈或者开路反馈,与DZ-23ZG-8型底座配套使用.二、海湾GST2321ZG输入/输...
海湾JTW-ZOM-GST1110ZG点型感温火灾探测器一、海湾JTW-ZOM-GST1110ZG点型感温火灾探测器概述海湾JTW-ZOM-RF1110点型感温火灾探测器采用热敏电阻作为感温器件。探测器内置高性能微处理器,适用于能够产生温度变化的火灾探测,在不同环境都可以准确识别出火灾,具有强大的火警判断能力,采用无极性二总线制进行通信,电子...
海湾GST8001ZG电子编码器一、海湾GST8001ZG电子编码器概述海湾GST8001ZG电子编码器是针对前端产品进行设置的便携式操作设备。具备电子式地址读写、参数读写、参数设置等功能。采样液晶中文显示,按键操作,操作简单方便二、海湾GST8001ZG电子编码器功能特点可对系统总线设备进行编码和参数设置液晶显示、中文菜...
海湾GST1200ZG紧急启停按钮一、海湾GST1200ZG紧急启停按钮概述海湾GST1200ZG紧急启/停按钮(以下简称按钮),主要作用是控制气体灭火系统转换手动状态或自动状态,以及控制紧急启动和停动功能。通常安装在保护区门口便于操作的位置,当被保护的区域内发生火灾时,按下"紧急启动"按键,即可向气体灭火控制器发...
海湾GST1530ZG火灾显示盘一、海湾GST1530ZG火灾显示盘概述海湾GST1530ZG火灾显示盘一种可用于楼层或独立防火区内的火灾报警显示装置。当建筑物内发生火灾后,消防控制中心的控制器产生报警,同时把报警信号传输到失火区域的火灾显示盘上,火灾显示盘液晶屏显示报警编号、类型及注释信息并发出报警声响,以通知失火区域的...
400电话:4006-598-119
联系电话:18751140119
公司传真:0512-52847706
手机号码:18910580194
客服QQ:1334605518
Email:1334605518@qq.com
地址:江苏省苏州市常熟市黄河路275号城市之星119室
全国服务热线:18910580194
立即预约2022世界杯小组赛程表时间主要业务有火灾报警系统的销售、设计、安装、消防维修及2022世界杯小组赛程表时间改造,消防施工,2022世界杯小组赛程表时间改造,消防维保,一二级消防检测设备,探测器清洗,消防检测,气体灭火系统安装,电气火灾系统施工安装,消防喷淋水系统安装,防火门系统施工安装等...
+MORE
物业项目业主户内消防改造安全管控要点检查了很多高层住宅项目和带底商的项目,消防的一个难点就是:故障点位多!一排查,原因多是业主户内装修,改了(取消)消防。一说整改就是业主户内装修完成了,改造费用高……那么这类消防故障该如何避免或者整改呢?作为物业工作人员,如何在服务业主,满足合理需求的同时,守住消防 [详情]
消防改造 消防检测仪器网 山东消防检测设备 消防安全评估设备 消防评估设备 北京消防改造 海湾消防主机维修 四川消防检测设备 气体灭火 消防检测设备|人防检测仪器 江苏消防检测仪器 探测器清洗 消防检测设备 利达消防 突尼斯vs阿联酋波胆分析工程 电气火灾 海湾安全技术有限公司 海湾消防公司 海湾消防 海湾消防设备 海湾气体灭火|利达气体灭火 消防安全评估设备软件 四川消防检测仪器 消防安全评估软件 海湾气体灭火 海湾消防气灭 利达气体灭火 利达消防维修维保 海湾消防维修 北京烟感清洗 北京消防维修 烟感清洗|火灾探测器清洗 消防安全评估软件 海湾消防监控系统 气体灭火安装 消防设施维护保养检测设备 消防改造安装 海湾消防器材 利达消防器材 青鸟消防器材 泛海三江消防设备 上海松江消防设备 深圳赋安消防设备 泰和安消防设备 依爱消防设备 金鼎防爆消防设备 尼特消防设备 海湾消防产品 利达消防产品 消防评估检测设备 消防检测设备仪器 松江消防 青鸟消防 泰和安消防 利达消防设备 消防气体灭火 突尼斯vs阿联酋波胆分析商城网 利达消防公司 依爱消防 福赛尔消防 久远消防 三江消防 泰和安消防 艺光消防 国泰怡安消防 利达气体灭火 海湾消防安全技术 海湾消防公司
如果您对本商品有什么问题,请提问咨询!