
常开防火门
1、FS7506电动闭门器接线图

2、FS7506S二线制电动闭门器接线图

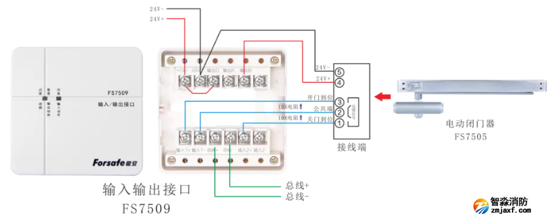
3、输入输出接口FS7509+电动闭门器FS7505接线图

4、输入输出接口FS7509+电磁释放器FS7507+门磁开关FS7503接线图

常闭防火门
1、FS7501门磁接口接线图

2、FS7502门磁接口接线图

3、输入接口FS7508+门磁开关FS7503接线图

江苏苏州突尼斯vs阿联酋波胆分析安装工程公司主营:北京消防施工安装,2022世界杯小组赛程表时间设计,消防维修改造,消防设备检测,消防验收代办,消防维修保养,探测器清洗,消防检测设备,智慧消防物联网,消防设备销售安装及调试为一体的正规化消防企业。消防改造网址://www.furanoplace.com/;服务热线:4006-598-119








苏公网安备32058102002151号