
JBF5142C输入/输出模块是青鸟消防股份有限公司开发的可实现脉冲输出、持续输出两种输出方式的控制模块。
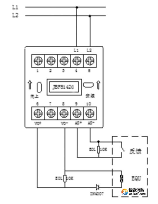
JBF5142C输入/输出模块接线图:

L1(端子4)、L2(端子5):接回路总线,无极性。
AS+(端子9)、AS-(端子10):接应答(无源触点)。必须并联10KΩ终端电阻。
VO+(端子6)、VO-(端子8):接被控设备(脉动触点)。模块启动后VO+(端子6)和VO-(端子8)可以脉冲输出或持续输出。见下图。

注:①脉冲输出:模块设备只提供DC30V/1.5A/100ms脉冲,不提供持续电压。
②持续输出:脉冲输出后还可持续输出维持DC24V继电器工作所需电流。
江苏苏州突尼斯vs阿联酋波胆分析安装工程公司主营:北京消防施工安装,2022世界杯小组赛程表时间设计,消防维修改造,消防设备检测,消防验收代办,消防维修保养,探测器清洗,消防检测设备,智慧消防物联网,消防设备销售安装及调试为一体的正规化消防企业。消防改造网址://www.furanoplace.com/;服务热线:4006-598-119








苏公网安备32058102002151号